您所在的位置:


XBD-W卧式多级消防泵
XBD-W卧式多级消防泵概况
XBD-W型卧式多级消防泵系卧式、单吸多级、分段式结构,是改革开放后新开发生产的节能系列产品。其性能参数及技术指标均符合有关标准,该系列泵具有效率高,运行噪音低,抗气蚀性能好,结构合理,使用寿命长等显著优点。
XBD-W型消防泵全系列共有5个品种40个规格,其性能范围额定流量为5~40L/S,压力范围为0.18~2.0Mpa,配套功率范围为2.2~180KW,口径范围为ф50~ф150mm。

XBD-W卧式多级消防泵产品图
XBD-W型消防泵组可供输送不含固体颗粒的清水及物理化学性质类似于水的液体之用。主要用于消防系统增压送水,也可应用于厂矿给排水、高层建筑增压送水、远距离送水、采暖、浴室、锅炉冷暖水循环增压、空调制冷系统送水及设备配套等场合。
XBD-W卧式多级消防泵型号意义

XBD-W卧式多级消防泵主要特点
1、 泵结构紧凑、布置合理、外形美观。
2、 进、出口径相同,便于管路连接。
3、 泵运行平稳、噪音低、寿命长。
4、 密封可靠、无泄漏。
5、 流量和压力可根据需要增减泵级数并结合切割叶轮外径予以满足。
XBD-W卧式多级消防泵用途
XBD-W型系列卧式多级消防泵适用于消防管路增压送水。供输送清水或物理、化学性质类似于清水的其它液体进行增压之用。使用介质温度不超过80℃,也适用于工业和城市给排水、高层建筑增压送水、园林喷灌、远距离送水、采暖、浴室等冷暖水循环增压及设备配套等。
XBD-W卧式多级消防泵主要部件材料
| 名 称 | 材 料 | 标 准 | |
| 泵体 | 铸铁 | HT200 | GB9439-88 |
| 球铁 | QT400-18 | GB1348-88 | |
| 中段 | 铸铁 | HT200 | GB9439-88 |
| 球铁 | QT400-18 | GB1348-88 | |
| 叶轮 | 铜合金 | ZcuSn10Zn2 | GB1176-88 |
| 轴 | 不锈钢 | 2Cr13 | GB3077-88 |
| 轴封 | 填料 | 柔性石墨 | |
| 机械密封 | 橡胶波纹管 | 博格曼DIN24960 | |
XBD-W卧式多级消防泵结构说明
结构如图所示,XBD-W型消防泵组为单吸多级节段式离心泵,其吸入口为水平方向,吐出口为垂直向上布置。本系列共有5种口径,用户可根据流量、压力的需要选择不同的口径、不同级数的泵予以满足。
泵由泵体部件和转子部件所组成。泵体部件由进水段、中段、导叶、出水段、尾盖和轴承体等部件组成,转子部件由不锈钢轴、铜合金叶轮、平衡盘和轴套等组成。转子;两端支承在油脂润的滚动轴承上。
进水段、中段和出水段的结合面用纸垫通过拉紧达到密封。为防止水从两端出轴泄漏,设有填料密封,也可采用机械密封,同时在轴上装有橡胶挡水圈、O型橡胶密封圈,以防水进入轴承腔内。
为防止中段和导叶磨损,设有叶轮密封环和导叶套等易损零件,当这些零件磨损到一定程度后,应予以更换。
泵和电动机装在公共底座上,通过弹性联轴器传动。

| 1 | 吸 入 段 | 2 | 中 段 | 3 | 吐 出 段 | 4 | 导 翼 | 5 | 叶 轮 | 6 | 密 封 环 | 7 | 导翼衬套 |
| 8 | 尾 盖 | 9 | 平 衡 环 | 10 | 平 衡 盘 | 1 | 轴 | 12 | 轴 套 甲 | 13 | 轴 套 乙 | 14 | 轴 套 丙 |
| 15 | 轴套甲部件 | 16 | 轴套乙部件 | 17 | 填料压盖 | 18 | 填 料 环 | 19 | 轴套螺母 | 20 | 拉紧螺栓 |
XBD-W卧式多级消防泵故障原因及排除方法
| 故障现象 | 可能产生的原因 | 排除方法 |
| 水泵不吸水,压力表和真空表指针剧烈跳动 | 1、灌注引水不够2、管路与仪表联接处漏气3、吸程过高 | 1、检查底阀是否漏水,再灌足引水2、拧紧漏气处3、降低吸水高度 |
| 水泵不吸水,真空表指示高度真空 | 1、底阀没有打开或已堵塞2、吸水管路阻力太大3、过滤器堵塞 | 1、检查底阀2、更换吸水管3、清理过滤器 |
| 压力表有压力,但仍不出水 | 1、出水管阻力太大2、旋转方向不对3、出口管阀门未开4、叶轮堵塞 | 1、检查或缩短水管2、检查电机,两相互调3、打开出口阀4、清除叶轮内的污物 |
| 达不到设计流量 | 1、有空气吸入2、由于水位降低,淹没深度不够3、叶轮内有异物堵塞4、转子部分严重磨损 | 1、检查漏气部位并排除2、延长吸水管,加深淹没深度3、拆卸并清除异物4、更换密封环 |
| 泵消耗功率过大 | 1、填料压得过紧,并发热2、流量过大3、回转体与壳体有碰擦4、泵转承磨损5、泵轴弯曲 | 1、适当放松2、关小闸阀开度3、修整4、更换轴承5、更换或校正 |
| 泵振动过大 | 1、叶轮局部有堵塞2、叶轮破损3、流量过小4、泵轴与电动机不同心5、轴承破损6、混入空气,发生汽蚀 | 1、拆卸清除异物2、更换3、稍开出口阀4、定点找正5、更换6、改变吸入位,改善吸水管 |
XBD-W卧式多级消防泵性能曲线图



XBD-W卧式多级消防泵型号及性能参数表
| 型号 | 流量Q | 压力P | 转速n | 效率η | 功率N | 必需气蚀余量rM |
| L/S | Mpa | r/min | % | Kw | ||
| XBD1.8/5-50W | 456 | 0.200.180.16 | 1450 | 626566 | 2.2 | 3.2 |
| XBD2.7/5-50W | 456 | 0.030.270.24 | 1450 | 626566 | 3 | 3.2 |
| XBD3.6/5-50W | 456 | 0.400.360.32 | 1450 | 626566 | 4 | 3.2 |
| XBD4.5/5-50W | 456 | 0.500.450.40 | 1450 | 626566 | 5.5 | 3.2 |
| XBD5.4/5-50W | 456 | 0.600.540.48 | 1450 | 626566 | 5.5 | 3.2 |
| XBD6.3/5-50W | 456 | 0.700.630.56 | 1450 | 626566 | 7.5 | 3.2 |
| XBD7.2/5-50W | 456 | 0.800.720.64 | 1450 | 626566 | 7.5 | 3.2 |
| XBD8.1/5-50W | 456 | 0.900.810.72 | 1450 | 626566 | 7.5 | 3.2 |
| XBD2.3/10-75W | 81012 | 0.250.230.20 | 1450 | 636866 | 5.5 | 3.0 |
| XBD3.4/10-75W | 81012 | 0.370.340.30 | 1450 | 636866 | 7.5 | 3.0 |
| XBD4.6/10-75W | 81012 | 0.500.460.40 | 1450 | 636866 | 11 | 3.0 |
| XBD5.5/10-75W | 81012 | 0.620.550.50 | 1450 | 636866 | 11 | 3.0 |
| XBD6.9/10-75W | 81012 | 0.750.690.60 | 1450 | 636866 | 15 | 3.0 |
| XBD8.0/10-75W | 81012 | 0.870.800.70 | 1450 | 636866 | 15 | 3.0 |
| XBD9.2/10-75W | 81012 | 1.000.920.80 | 1450 | 636866 | 18.5 | 3.0 |
| XBD10.3/10-75W | 81012 | 1.121.030.90 | 1450 | 636866 | 18.5 | 3.0 |
| XBD2.9/20-100W | 152025 | 0.320.290.26 | 1450 | 687270 | 11 | 3.5 |
| XBD4.3/20-100W | 152025 | 0.480.430.39 | 1450 | 687270 | 15 | 3.5 |
| XBD5.8/20-100W | 152025 | 0.640.580.52 | 1450 | 687270 | 22 | 3.5 |
| XBD7.2/20-100W | 152025 | 0.800.720.65 | 1450 | 687270 | 30 | 3.5 |
XBD-W卧式多级消防泵型号及性能参数表 2
| 型号 | 流量QL/S | 压力P | 转速n | 效率η | 功率N | 必需气蚀余量rM |
| Mpa | r/min | % | Kw | |||
| XBD8.6/20-100W | 152025 | 0.960.860.78 | 1450 | 687270 | 30 | 3.5 |
| XBD10.1/20-100W | 152025 | 1.121.010.91 | 1450 | 687270 | 37 | 3.5 |
| XBD11.5/20-100W | 152025 | 1.281.151.04 | 1450 | 687270 | 45 | 3.5 |
| XBD13.0/20-100W | 152025 | 1.441.301.17 | 1450 | 687270 | 45 | 3.5 |
| XBD4.2/25-125W | 202530 | 0.440.420.38 | 1450 | 697374 | 22 | 3.5 |
| XBD6.3/25-125W | 202530 | 0.660.630.57 | 1450 | 697374 | 30 | 3.5 |
| XBD8.4/25-125W | 202530 | 0.880.840.76 | 1450 | 697374 | 45 | 3.5 |
| XBD10.5/25-125W | 202530 | 1.101.050.95 | 1450 | 697374 | 55 | 3.5 |
| XBD12.6/25-125W | 202530 | 1.321.261.14 | 1450 | 697374 | 75 | 3.5 |
| XBD14.7/25-125W | 202530 | 1.541.471.38 | 1450 | 697374 | 75 | 3.5 |
| XBD16.8/25-125W | 202530 | 1.761.681.52 | 1450 | 697374 | 90 | 3.5 |
| XBD18.9/25-125W | 202530 | 1.981.891.71 | 1450 | 697374 | 90 | 3.5 |
| XBD5.8/45-150W | 354555 | 0.620.580.52 | 1450 | 727678 | 45 | 3.0 |
| XBD8.7/45-150W | 354555 | 0.930.870.78 | 1450 | 727678 | 75 | 3.0 |
| XBD11.6/45-150W | 354555 | 1.241.161.04 | 1450 | 727678 | 90 | 3.0 |
| XBD14.5/45-150W | 354555 | 1.551.451.30 | 1450 | 727678 | 110 | 3.0 |
| XBD17.4/45-150W | 354555 | 1.861.741.56 | 1450 | 727678 | 135 | 3.0 |
| XBD20.3/45-150W | 354555 | 2.172.031.82 | 1450 | 727678 | 155 | 3.0 |
| XBD23.2/45-150W | 354555 | 2.482.322.08 | 1450 | 727678 | 180 | 3.0 |
| XBD26.1/45-150W | 354555 | 2.792.612.34 | 1450 | 727678 | 180 | 3.0 |
XBD-W卧式多级消防泵起动、运行和停止
一、 起动
1、 检查电机旋转方向是否正确,严防水泵反转而使螺母松开;
2、 关闭吐出管路上的闸阀和压力计旋塞;
3、 全开进口阀;
4、 向泵内注满水或用真空泵引水;
5、 上述过程完毕后接通电源,当转子达到正常转速后再逐渐打开管路上的闸阀,并调节到所需要工况。在吐出管路上的闸阀关闭的情况下,泵连续工作的时间不能超过3分钟。
二、 运行
1、 泵在运转过程中,必须注意观察仪表读数,轴承温度,其极限温度不得高于75℃,并不得超过外界温度35℃;
2、 填料室内正常漏水程度,以每分钟15毫升为准,应随时调整填料压盖的压紧力;
3、 轴承油位应保持在正常位置上,不能过低或过高,过低时应及时补充润滑油;
4、 注意运行过程中电机电流值变化,不应超过额定电流;
5、 如密封环等易损过大应及时更换;
6、 泵在运行过程中,如发现异常的温升、振动和噪声,应立即停车检查其原因。
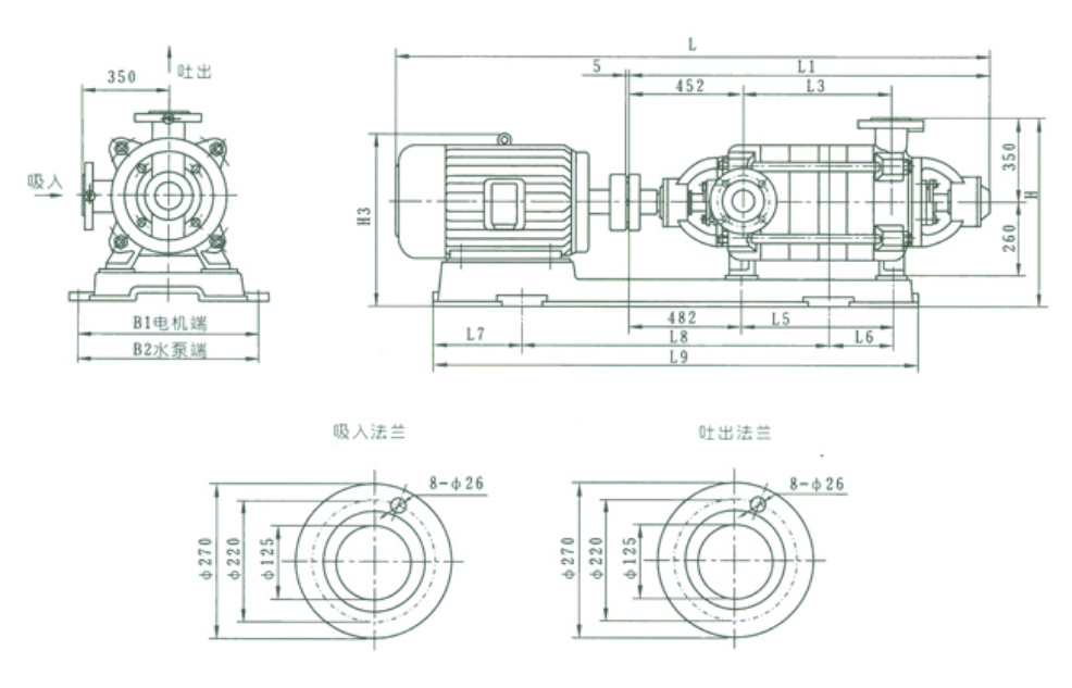
XBD1.8~8.1/5-50W型外形图及安装尺寸

| 泵型号 | 级数n | 外形安装尺寸 | 电动机 | 重量Kg | ||||||||||||
| L | L1 | L3 | L5 | L6 | L7 | L8 | L9 | H | H3 | B1 | B2 | 型号 | KW | |||
| XBD1.8/5-50W | 2 | 1087 | 707 | 160 | 145 | 33 | 141 | 600 | 901 | 480 | 415 | 335 | 430 | Y100 L1-4 | 2.2 | 158 |
| XBD2.7/5-50W | 3 | 1152 | 772 | 225 | 210 | 98 | 141 | 600 | 901 | 480 | 415 | 335 | 430 | Y100 L2-4 | 3 | 186 |
| XBD3.6/5-50W | 4 | 1237 | 837 | 290 | 275 | 128 | 144 | 640 | 974 | 480 | 423 | 375 | 430 | Y112M-4 | 4 | 222 |
| XBD4.5/5-50W | 5 | 1377 | 902 | 355 | 340 | 132 | 153 | 740 | 1153 | 490 | 463 | 430 | 430 | Y132S-4 | 5.5 | 263 |
| XBD5.4/5-50W | 6 | 1442 | 967 | 420 | 405 | 197 | 153 | 740 | 1153 | 490 | 463 | 430 | 430 | Y132S-4 | 5.5 | 283 |
| XBD6.3/5-50W | 7 | 1547 | 1032 | 485 | 470 | 197 | 156 | 840 | 1321 | 490 | 463 | 430 | 430 | Y132M-4 | 7.5 | 313 |
| XBD7.2/5-50W | 8 | 1612 | 1097 | 550 | 535 | 262 | 156 | 840 | 1321 | 490 | 463 | 430 | 430 | Y132M-4 | 7.5 | 333 |
| XBD8.1/5-50W | 9 | 1677 | 1162 | 615 | 600 | 297 | 166 | 860 | 1386 | 490 | 463 | 430 | 430 | Y132M-4 | 7.5 | 353 |
XBD2.3~10.3/10-75W型外形图及安装尺寸

| 泵型号 | 级数n | 外形安装尺寸 | 电动机 | 重量Kg | ||||||||||||
| L | L1 | L3 | L5 | L6 | L7 | L8 | L9 | H | H3 | B1 | B2 | 型号 | KW | |||
| XBD2.3/10-75W | 2 | 1241 | 766 | 257 | 180 | 89 | 145 | 630 | 926 | 535 | 468 | 410 | 475 | Y132S-4 | 5.5 | 249 |
| XBD3.4/10-75W | 3 | 1361 | 846 | 337 | 260 | 128 | 165 | 690 | 1046 | 545 | 478 | 410 | 475 | Y132M-4 | 7.5 | 291 |
| XBD4.6/10-75W | 4 | 1526 | 926 | 417 | 340 | 171 | 180 | 830 | 1284 | 545 | 520 | 475 | 475 | Y160M-4 | 11 | 367 |
| XBD5.5/10-75W | 5 | 1606 | 1006 | 497 | 420 | 211 | 180 | 830 | 1284 | 545 | 520 | 475 | 475 | Y160M-4 | 11 | 399 |
| XBD6.9/10-75W | 6 | 1731 | 1086 | 577 | 500 | 245 | 200 | 980 | 1488 | 545 | 520 | 475 | 475 | Y160L-4 | 15 | 451 |
| XBD8.1/10-75W | 7 | 1811 | 1166 | 657 | 580 | 245 | 200 | 980 | 1488 | 545 | 520 | 475 | 475 | Y160L-4 | 15 | 483 |
| XBD9.2/10-75W | 8 | 1916 | 1246 | 737 | 660 | 239 | 200 | 1150 | 1653 | 560 | 560 | 480 | 480 | Y180M-4 | 18.5 | 552 |
| XBD10.3/10-75W | 9 | 1996 | 1326 | 817 | 740 | 239 | 200 | 1150 | 1653 | 560 | 560 | 480 | 480 | Y180M-4 | 18.5 | 584 |
XBD2.9~13.0/20-100W型外形及安装尺寸

| 泵型号 | 级数n | 外形安装尺寸 | 电动机 | 重量Kg | ||||||||||||
| L | L1 | L3 | L5 | L6 | L7 | L8 | L9 | H | H3 | B1 | B2 | 型号 | KW | |||
| XBD2.9/20-100W | 2 | 1575 | 975 | 255 | 200 | 100 | 180 | 900 | 1322 | 610 | 535 | 505 | 505 | Y160M-4 | 11 | 478 |
| XBD4.3/20-100W | 3 | 1720 | 1075 | 355 | 300 | 149 | 200 | 900 | 1322 | 610 | 535 | 505 | 505 | Y160L-4 | 15 | 550 |
| XBD5.8/20-100W | 4 | 1885 | 1175 | 455 | 400 | 200 | 215 | 975 | 1463 | 610 | 560 | 505 | 525 | Y180L-4 | 22 | 647 |
| XBD7.2/20-100W | 5 | 2050 | 1275 | 555 | 500 | 202 | 230 | 1240 | 1701 | 620 | 595 | 525 | 525 | Y200L-4 | 30 | 778 |
| XBD8.6/20-100W | 6 | 2150 | 1375 | 655 | 600 | 157 | 230 | 1240 | 1701 | 620 | 595 | 525 | 525 | Y200L-4 | 30 | 829 |
| XBD10.1/20-100W | 7 | 2295 | 1475 | 755 | 700 | 198 | 230 | 1330 | 1832 | 630 | 635 | 565 | 565 | Y225S-4 | 37 | 894 |
| XBD11.5/20-100W | 8 | 2420 | 1575 | 855 | 800 | 199 | 235 | 1450 | 1959 | 640 | 645 | 565 | 565 | Y225M-4 | 45 | 945 |
| XBD13.0/20-100W | 9 | 2520 | 1675 | 955 | 900 | 199 | 235 | 1550 | 2059 | 640 | 645 | 565 | 565 | Y225M-4 | 45 | 996 |
XBD4.2~18.9/25-125W型外形及安装尺寸

| 泵型号 | 级数n | 外形安装尺寸 | 电动机 | 重量Kg | ||||||||||||
| L | L1 | L3 | L5 | L6 | L7 | L8 | L9 | H | H3 | B1 | B2 | 型号 | KW | |||
| XBD4.2/25-125W | 2 | 1827 | 1117 | 325 | 225 | 109 | 220 | 975 | 1387 | 700 | 600 | 495 | 565 | Y180L-4 | 22 | 665 |
| XBD6.3/25-125W | 3 | 2017 | 1242 | 450 | 350 | 176 | 230 | 1060 | 1549 | 700 | 625 | 565 | 565 | Y200L-4 | 30 | 825 |
| XBD8.4/25-125W | 4 | 2212 | 1367 | 575 | 475 | 225 | 240 | 1170 | 1728 | 710 | 665 | 565 | 565 | Y225M-4 | 45 | 925 |
| XBD10.5/25-125W | 5 | 2422 | 1492 | 700 | 600 | 299 | 270 | 1270 | 1924 | 725 | 700 | 620 | 620 | Y250M-4 | 55 | 1046 |
| XBD12.6/25-125W | 6 | 2617 | 1617 | 825 | 725 | 262 | 305 | 1430 | 2243 | 755 | 765 | 675 | 570 | Y280S-4 | 75 | 1400 |
| XBD14.7/25-125W | 7 | 2742 | 1742 | 950 | 850 | 422 | 305 | 1430 | 2243 | 755 | 765 | 675 | 570 | Y280S-4 | 75 | 1485 |
| XBD16.8/25-125W | 8 | 1917 | 1867 | 1075 | 975 | 483 | 330 | 1580 | 2544 | 755 | 765 | 675 | 570 | Y280M-4 | 90 | 1755 |
| XBD18.9/25-125W | 9 | 3042 | 1992 | 1200 | 1100 | 548 | 330 | 1580 | 2544 | 755 | 765 | 675 | 570 | Y280M-4 | 90 | 1760 |
XBD5.8~21.6/45-150W型外形及安装尺寸

| 泵型号 | 级数n | 外形安装尺寸 | 电动机 | 重量Kg | ||||||||||||
| L | L1 | L3 | L5 | L6 | L7 | L8 | L9 | H | H3 | B1 | B2 | 型号 | KW | |||
| XBD5.8/45-150W | 2 | 4964 | 1119 | 315 | 237 | 148 | 240 | 1000 | 1437 | 720 | 675 | 575 | 605 | Y225M-4 | 45 | 860 |
| XBD8.7/45-150W | 3 | 2234 | 1234 | 430 | 352 | 148 | 305 | 1165 | 1735 | 735 | 745 | 675 | 610 | Y280S-4 | 75 | 1166 |
| XBD11.6/45-150W | 4 | 2399 | 1349 | 545 | 467 | 195 | 330 | 1260 | 1922 | 745 | 755 | 675 | 610 | Y280M-4 | 90 | 1353 |
| XBD14.5/45-150W | 5 | 2664 | 1464 | 660 | 582 | 169 | 330 | 1470 | 2129 | 780 | 885 | 765 | 620 | Y315S-4 | 110 | 1768 |
| XBD17.4/45-150W | 6 | - | 1579 | 775 | 697 | 130 | - | 550 | 810 | 725 | - | - | - | JS-115-4 | 135 | 1869 |
| XBD20.3/45-150W | 7 | - | 1694 | 890 | 812 | 150 | - | 625 | 925 | 725 | - | - | - | JS-116-4 | 155 | 2021 |
| XBD23.2/45-150W | 8 | - | 1809 | 1005 | 927 | 150 | - | 740 | 1040 | 725 | - | - | - | JS-117-4 | 180 | 2173 |
| XBD26.1/45-150W | 9 | - | 1924 | 1120 | 1042 | 150 | - | 855 | 1155 | 725 | - | - | - | JS-117-4 | 180 | 2255 |
XBD-W卧式多级消防泵基础尺寸图

XBD-W卧式多级消防泵基础尺寸表一
| 型号 | E | F | C2 | B1 | B2 | H | h |
| XBD1.8/5-50W | 1100 | 800 | 600 | 335 | 430 | 200 | |
| XBD2.7/5-50W | 600 | 335 | 430 | ||||
| XBD3.6/5-50W | 1350 | 640 | 375 | 430 | |||
| XBD4.5/5-50W | 470 | 430 | 430 | ||||
| XBD5.4/5-50W | 470 | 430 | 430 | ||||
| XBD6.3/5-50W | 1500 | 840 | 430 | 430 | |||
| XBD7.2/5-50W | 840 | 430 | 430 | ||||
| XBD8.1/5-50W | 860 | 430 | 430 | ||||
| XBD2.3/10-75W | 1200 | 630 | 410 | 475 | |||
| XBD3.4/10-75W | 690 | 410 | 475 | ||||
| XBD4.6/10-75W | 1400 | 830 | 475 | 475 | |||
| XBD5.5/10-75W | 830 | 475 | 475 | ||||
| XBD6.9/10-75W | 1700 | 980 | 475 | 475 | |||
| XBD8.0/10-75W | 980 | 475 | 475 | ||||
| XBD9.2/10-75W | 1850 | 1150 | 480 | 480 | |||
| XBD10/10-75W | 1150 | 480 | 480 | ||||
| XBD2.9/20-100W | 1500 | 800 | 900 | 505 | 505 | 250 | |
| XBD4.3/20-100W | 900 | 505 | 505 | ||||
| XBD5.8/20-100W | 1700 | 975 | 505 | 505 | |||
| XBD7.2/20-100W | 1900 | 1240 | 525 | 505 | |||
XBD-W卧式多级消防泵基础尺寸表二
| 型号 | E | F | C2 | B1 | B2 | H | h |
| XBD8.6/20-100W | 1900 | 800 | 1240 | 525 | 525 | 250 | |
| XBD10.1/20-100W | 2200 | 1330 | 565 | 565 | |||
| XBD11.5/20-100W | 1450 | 565 | 565 | ||||
| XBD13.0/20-100W | 1550 | 565 | 565 | ||||
| XBD4.2/25-125W | 1600 | 800 | 970 | 495 | 565 | ||
| XBD6.3/25-125W | 1800 | 1060 | 565 | 565 | |||
| XBD8.4/25-125W | 2200 | 1170 | 565 | 565 | |||
| XBD10.5/25-125W | 900 | 1270 | 620 | 620 | |||
| XBD12.6/25-125W | 2450 | 1430 | 675 | 570 | |||
| XBD14.7/25-125W | 1430 | 675 | 570 | ||||
| XBD16.8/25-125W | 2800 | 1580 | 675 | 570 | |||
| XBD18.9/25-125W | 1580 | 675 | 570 | ||||
| XBD5.8/45-150W | 1700 | 1000 | 1000 | 575 | 605 | ||
| XBD8.7/45-150W | 2000 | 1165 | 675 | 610 | |||
| XBD11.6/45-150W | 2200 | 1260 | 675 | 610 | |||
| XBD14.5/45-150W | 2400 | 1470 | 765 | 620 | |||
| XBD17.5/45-150W | 1200 | 1200 | 550 | 590 | 590 | ||
| XBD20.3/45-150W | 625 | 590 | 590 | ||||
| XBD23.2/45-150W | 1300 | 740 | 590 | 590 | |||
| XBD26.1/45-150W | 855 | 590 | 590 | ||||
XBD-W卧式多级消防泵安装
一、 安装前的准备工作
1、 检查水泵和电机的完好情况;
2、 检查泵基础,准备工具及起重机械;
3、 检查机器的基础;
4、 确定采用隔振形式。
二、 安装顺序
1、 水泵运到现场,附带底座者已装好电机,找平底座时可不必卸下水泵和电机;
2、 直接安装可将底座放在地基上,在地脚螺钉附近垫楔形铁,将底座垫高约20~40mm,作校平后填充水泥浆之用;
3、 用水平仪检查底座的水平度,找平后用水泥浆填充底座,待水泥干涸后再检查一下水平度;
4、 将底座的支承平面,水泵脚和电机脚平面上的污物清除干净,并把水泵和电机放到底座上;
5、 调整泵轴水平,找平后适当上紧螺母,以防走动,待调节完毕后再安装电机,在不合水处垫以铁板。泵联轴器和电机联轴器之间应留一定间隙;
6、 把平尺放在联轴器上,检查水泵轴心线与电机轴心线是否重合,若不重合,在电机或泵的底脚下垫薄铁片,使两个联轴器外圆与平尺相平,然后取出垫有多片的薄铁片,用经过创制的铁板来代替铁片,并重新检查安装情况。
7、 如采用ZT型减振器进行减振安装,则可先按隔振台座尺寸(见附件),浇好水泥支承结构,地基应抬高50mm以防止积水,支承结构要求水平。
8、 减振器直接放置于隔振台座与支承结构之间,一般不需要固定。
9、 检查安装精度,在几个相反位置上用塞尺测量两联轴器平面间的间隙,联轴器平面一周上最大和最小间隙不得超过0.3毫米,两端中心线上下或左右的差数不得超过0.1毫米。