您所在的位置:


IH不锈钢离心泵
IH不锈钢离心泵概述
IH不锈钢离心泵为单级单吸悬臂式化工离心泵。其标记,额定性能点和尺寸等效采用国际标准 ISO2858-1975(E),是机械工业部确定取代F型耐腐蚀离心泵的节能、更新换代产品。能满足化工程中输送有腐蚀性粘度类似于水的液体。
泵输送介质的温度一般为-20℃~105℃,必要时采用适当冷却措施,输送的介质温度可更高。
泵的最高工作压力按1.6MPa设计本系列泵的性能范围(设计点):流量为6.3~400m'/h,扬程为5~125m。根据所输送介质对泵腐蚀的情况,用户可选用相适应的触液部分的材质。泵与介质接触的主要零件材质如下表所示:
表一材质及代号表
| 材质 | ZG1Cr18Ni9 | ZG1Cr18NiOTi | ZGOCr18NiMo2Ti | ZG1Cr18NiMo | ZG1Cr18Mn13M0.2CuN |
| 代号 | 303 | 305 | 306 | 307 | 402 |
除上述所列材料外,允许用户根据需要选择适合本系列泵生产的材质。材料及其代号原则上应符合GB2100标准的规定。对国家没有规定代号的材质可采用国际通用的材料代号或国内公认的材料代号(如行业或本企业的规定)。
IH型化工泵适应区域广泛,如化工、冶金、电力、造纸、食品、制药、合成等工业部门输送腐蚀性的或不允许污染的介质。

IH化工离心泵产品图
IH不锈钢离心泵结构说明
1. 1H型化工泵主要零部件(见图1)有 1-泵体 2-叶轮 3-密封环 4-叶轮螺母 5-泵盖6-密封部件 7-中间支架8-轴 9-悬架部件等。
2.泵的旋转方向,从驱动端看,按顺时针方向旋转。
3.泵的结构特点(见图)是,泵盖通过止口固定在中间支架上,然后通过泵体与中间支架止口的连接把泵盖夹紧在中间。泵体是轴向吸入,径向排出,脚支承式,可直接固定在底座上。悬架部件通过止口固定在中间支架上,并用悬架支架支撑底座上,为拆卸方便,设计了加长联轴器,检修时可以不拆卸进出口联接管路、泵体和电动机,只需拆下加长联轴器的中间联接件,即可退出转子部件进行检修。这是国际上一种通用的结构形式。
4.泵的密封型式采用填料密封或机械密封,由用户根据需要选用,同时也允许采用适合于ISO-3069规定的密封空腔尺寸和其他结构的轴封形式,如带波纹管的机械密封和副叶轮密封等。
IH不锈钢离心泵结构图及零部件名称

零部件名称:1、泵体 2、叶轮 3、密封环 4、叶轮螺母5、泵盖 6、密封部件 7、中间支架 8、轴 9、悬架部件
IH不锈钢离心泵型号意义

IH不锈钢离心泵的装配与拆卸
1 泵的拆卸顺序:
1.1拧下泵体上的放液管堵和悬架体上的放油管堵,放净泵内液体及其悬架体内储油室的存油。如有外引液密封管路的也拆下。
1.2拆开泵体与中间支架联结螺栓,将中间支架、悬架部件、密封部件等全部转子组件从泵体中取出(在此之前应先拆出加长联轴器的中间连接件)
1.3 松开叶轮螺母,取出叶轮和键。
1.4 将泵盖连同轴套,机械密封端盖及机械密封等组合件一起从轴上取下。此时应注意勿使轴套与泵盖等相对滑动,然后再把密封端盖拆开,将机械密封连同轴套一起取出,再把轴套和机械密封拆开,如果是软填料密封,可先从泵盖上取下轴套,再顺次拆开填料压盖,填料和填料环等。对结构特殊的机械密封,要注意其不同的拆装方法。
1.5 拆下中间支架和悬架支架。
1.6 拆下泵联轴器和键。
1.7拆下悬架两端的防尘盘和轴承的前后盖,再把轴连轴承一起从悬架中取出。
1.8 拆开轴承和轴。
2 泵的装配
泵的装配顺序基本上可按照拆卸顺序的反向进行,但装配时要注意检查各密封面垫片应完好,并注意切勿漏装垫片和更换不完好的垫片。
IH不锈钢离心泵使用机械密封注意事项
本系列泵可根据使用条件的不同,安装不同形式的机械密封,如内装单端面平衡型和非平衡型,双端面平衡型及非平衡型,外装式机械密封等。因此,根据所选用密封形式的不同其使用方法和注意事项也有所不同,具体情况按照《机械密封安装使用说明书》中的规定去处理。下面仅提几点一般应注意的事项:
6.1 一般机械密封适用于清洁的,无悬浮颗粒的介质中,因此,对新装的管道系统和储液灌,应认真冲洗干净,严防固体杂质进入机械密封端面使密封失效。
6.2 在结晶的介质中,使用机械密封时,要注意经常冲洗。停车后重新起动前,要将机械密封上的结晶清洗干净。
6.3 拆卸机械密封应仔细,不许动用手锥,铁器等敲击,以免破坏静环密封面。
6.4 如果有污垢拆不下来时,不要勉强去拆,应设法清除污垢,冲洗干净后,再进行拆卸,以免损坏密封元件。
6.5 安装机械密封前,应检查所有密封元件是否有失效的损坏的,如有则重新修复或更换新元件。
6.6 应严格检查动环与静环的对磨密封端面,不允许有任何细微的划伤、碰破等缺陷。所有零部件,包括泵体、叶轮、密封腔等在装配前均应冲洗干净。尤其是动静环端面用清洁柔软的布和棉纱认真擦干净,然后涂上一层清洁的油脂或机油。
6.7 装配中要注意消除偏差,紧固螺钉时,避免发生偏斜,使密封失效。
6.8 正确调整弹簧的压缩量,使其不致太紧或太松。太紧,密封端面很快磨损而失效而且消耗功率大;太松则密封不起作用,泄漏量过大。所以泵安装好以后用手盘动,转动效应感觉到密封弹簧有了一定缩量,而又能轻快、灵活的转动,没有咬紧的感觉,如感觉太紧或盘不动,则应适当调松一下。
6.9 对有外部冲洗的机械密封,起动前应开启冲洗液使密封腔内充满密封液。停车时先停泵,后关密封冲洗液。
IH不锈钢离心泵型号及性能参数表
| 泵型号 | 流量Q | 扬程H(m) | 转速η(转/分) | 功率N(千瓦) | 效率 η (%) | 必需汽蚀余量△h(米) | 叶轮直径D(mm) | 重量(公斤) | ||
| (米/时) | (升/秒) | 轴功率 | 电机功率 | |||||||
| IH50-32-125 | 6.3 | 1.74 | 5 | 1450 | 0.19 | 0.55 | 45 | 125 | ||
| IH50-32-160 | 8 | 0.34 | 0.55 | 40 | 2.0 | 160 | ||||
| IH50-32-200 | 12.5 | 0.65 | 1.1 | 33 | 200 | |||||
| IH50-32-250 | 20 | 1.27 | 2.2 | 27 | 250 | |||||
| IH65-50-125 | 12.5 | 3.47 | 5 | 0.31 | 0.55 | 55 | 125 | |||
| IH65-50-160 | 8 | 0.53 | 0.75 | 51 | 160 | |||||
| IH65-40-200 | 12.5 | 0.93 | 1.5 | 46 | 200 | |||||
| IH65-40-250 | 20 | 1.75 | 3 | 39 | 250 | |||||
| IH65-40-315 | 32 | 3.3 | 5.5 | 33 | 315 | |||||
| IH80-65-125 | 25 | 6.94 | 5 | 0.53 | 0.75 | 64 | 2.5 | 125 | ||
| IH80-65-160 | 8 | 0.88 | 1.5 | 62 | 160 | |||||
| IH80-50-200 | 12.5 | 1.49 | 2.2 | 57 | 2 | 200 | ||||
| IH80-50-250 | 20 | 2.569 | 53 | 250 | ||||||
| IH80-50-315 | 32 | 5.067 | 43 | 315 | ||||||
| IH100-80-125 | 50 | 13.9 | 5 | 0.92 | 74 | 125 | ||||
| IH100-80-160 | 8 | 1.58 | 2.2 | 69 | 3.4 | 160 | ||||
| IH100-65-200 | 12.5 | 2.5 | 3 | 69 | 2.5 | 200 | ||||
| IH100-65-250 | 20 | 4.3 | 5.5 | 65 | 2.5 | 250 | ||||
| IH100-65-315 | 32 | 7.5 | 11 | 58 | 2 | 315 | ||||
| IH125-100-200 | 100 | 27.8 | 12.5 | 4.66 | 7.5 | 73 | 2.9 | 200 | ||
| IH125-100-250 | 20 | 7.56 | 11 | 72 | 2.3 | 250 | ||||
| IH125-100-315 | 32 | 12.82 | 68 | 315 | ||||||
| IH125-100-400 | 50 | 22.69 | 60 | 400 | ||||||
| IH150-125-250 | 200 | 55.6 | 20 | 14.1 | 18.5 | 77 | 2.8 | 250 | ||
| IH150-125-315 | 32 | 23.2 | 30 | 75 | 2.8 | 315 | ||||
| IH150-125-400 | 50 | 38.9 | 55 | 70 | 2.5 | 400 | ||||
| IH200-150-250 | 400 | 111.1 | 20 | 26.9 | 81 | 250 | ||||
| IH200-150-315 | 32 | 44.1 | 55 | 79 | 3.5 | 315 | ||||
| IH200-150-400 | 50 | 69.8 | 90 | 78 | 3.5 | 400 | ||||
IH不锈钢离心泵型号及性能参数表2
| 泵型号 | 流量Q | 扬程H(m) | 转速n(转/分) | 功率N(千瓦) | 效率%) | 必需汽蚀余量△h(米) | 叶轮直径D(mm) | 重量(公斤) | ||
| (米³/时) | (升/秒) | 轴功率 | 电机功率 | |||||||
| IH50-32-125 | 12.5 | 3.47 | 20 | 2960 | 1.33 | 2.2 | 51 | 2 | 125 | |
| IH50-32-160 | 32 | 2.37 | 3 | 46 | 2 | 160 | ||||
| IH50-32-200 | 50 | 4.36 | 5.5 | 39 | 2 | 200 | ||||
| IH50-32-250 | 80 | 8.25 | 11 | 33 | 2 | 250 | ||||
| IH65-50-125 | 25 | 6.94 | 20 | 2.2 | 3 | 62 | 125 | |||
| IH65-50-160 | 32 | 3.82 | 5.5 | 57 | 2 | 160 | ||||
| IH65-40-200 | 50 | 6.55 | 11 | 52 | 2.0 | 200 | ||||
| IH65-40-250 | 80 | 11.84 | 15 | 46 | 2 | 250 | ||||
| IH65-40-315 | 125 | 21.8 | 30 | 39 | 2 | 315 | ||||
| IH80-65-125 | 50 | 13.88 | 20 | 3.95 | 5.5 | 69 | 3 | 125 | ||
| IH80-65-160 | 32 | 6.5 | 11 | 67 | 2.3 | 160 | ||||
| IH80-50-200 | 50 | 10.8 | 15 | 63 | 2.5 | 200 | ||||
| IH80-50-250 | 80 | 19.11 | 22 | 57 | 250 | |||||
| IH80-50-315 | 125 | 36.21 | 45 | 47 | 315 | |||||
| IH100-80-125 | 100 | 27.77 | 20 | 7.074 | 11 | 77 | 125 | |||
| IH100-80-160 | 32 | 11.9 | 15 | 73 | 4.3 | 160 | ||||
| IH100-65-200 | 50 | 18.9 | 22 | 72 | 3.9 | 200 | ||||
| IH100-65-250 | 80 | 32.8 | 37 | 68 | 3.6 | 250 | ||||
| IH100-65-315 | 125 | 54.9 | 75 | 62 | 3.2 | 315 | ||||
| IH125-100-200 | 250 | 55.55 | 50 | 35.4 | 45 | 77 | 5 | 200 | ||
| IH125-100-250 | 80 | 58.1 | 75 | 75 | 4.5 | 250 | ||||
| IH125-100-315 | 125 | 97.29 | 70 | 315 | ||||||
IH不锈钢离心泵型谱图

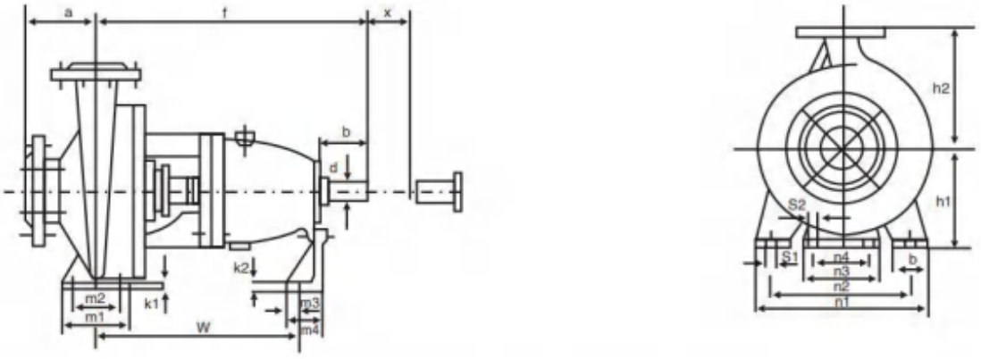
IH不锈钢离心泵泵头及脚座外形尺寸图

IH不锈钢离心泵泵头及脚座外形尺寸表
| 产品型号 | 泵 | 泵 脚 座 | 螺栓孔 | 轴端 | 间隔 | ||||||||||||||||
| a | f | h, | h, | b | m, | m, | m, | m. | n, | n, | n, | n | k, | k. | W | s, | s, | d | L | X | |
| IH50-32-125 | 80 | 385 | 112 | 140 | 50 | 100 | 70 | 19 | 60 | 190 | 140 | 110 | 145 | 12 | 10 | 285 | M12 | M12 | 24 | 50 | 100 |
| IH50-32-160 | 132 | 160 | 240 | 190 | |||||||||||||||||
| IH50-32-200 | 160 | 180 | |||||||||||||||||||
| IH50-32-250 | 100 | 500 | 180 | 225 | 65 | 125 | 95 | 25 | 65 | 320 | 250 | 16 | 14 | 370 | 32 | 80 | |||||
| IH65-32-125 | 80 | 385 | 112 | 140 | 50 | 100 | 70 | 19 | 60 | 210 | 160 | 110 | 145 | 12 | 10 | 285 | M12 | M12 | 24 | 50 | 100 |
| IH65-50-160 | 132 | 160 | 240 | 190 | |||||||||||||||||
| IH65-40-200 | 100 | 160 | 180 | 265 | 312 | ||||||||||||||||
| IH65-40-250 | 500 | 180 | 225 | 65 | 125 | 95 | 25 | 65 | 320 | 250 | 16 | 14 | 370 | 32 | 80 | ||||||
| IH65-40-315 | 125 | 200 | 250 | 345 | 280 | ||||||||||||||||
| IH80-65-125 | 100 | 385 | 132 | 160 | 50 | 100 | 70 | 19 | 60 | 240 | 190 | 110 | 145 | 12 | 10 | 285 | M12 | M12 | 24 | 50 | 100 |
| IH80-65-160 | 160 | 180 | 265 | 212 | |||||||||||||||||
| IH80-50-200 | 200 | ||||||||||||||||||||
| IH80-50-250 | 125 | 500 | 180 | 225 | 65 | 125 | 95 | 25 | 65 | 320 | 250 | 16 | 14 | 370 | 32 | 80 | |||||
| IH80-50-315 | 225 | 280 | 345 | 280 | |||||||||||||||||
| IH100-80-125 | 100 | 385 | 160 | 180 | 65 | 25 | 95 | 19 | 60 | 280 | 212 | 110 | 145 | 12 | 10 | 285 | M12 | M12 | 24 | 50 | 100 |
| IH100-80-160 | 500 | 200 | 24 | 16 | 370 | 32 | 80 | ||||||||||||||
| IH100-65-200 | 180 | 225 | 25 | 65 | 320 | 250 | 14 | M16 | 140 | ||||||||||||
| IH100-65-250 | 125 | 200 | 250 | 80 | 160 | 120 | 360 | 280 | |||||||||||||
| IH100-65-315 | 530 | 225 | 280 | 28 | 400 | 315 | |||||||||||||||
| IH125-100-200 | 125 | 500 | 200 | 280 | 80 | 160 | 120 | 25 | 65 | 360 | 280 | 110 | 145 | 16 | 14 | 370 | M16 | M12 | 42 | 80 | 140 |
| IH125-100-250 | 140 | 530| | 225 | 28 | 400 | 315 | 20 | 42 | 110 | ||||||||||||
| IH125-100-315 | 250 | 315 | |||||||||||||||||||
| IH125-100-400 | 280 | 355 | 500 | 400 | M20 | ||||||||||||||||
| IH150-125-250 | 140 | 530| | 250 | 355 | 80 | 160 | 120 | 28 | 65 | 400 | 315 | 110 | 145 | 20 | 14 | 370 | M16M20 | M12 | 42 | 110 | 140 |
| IH150-125-315 | 280 | 100 | 200 | 150 | 500 | 400 | |||||||||||||||
| IH150-150-400 | 315 | 400 | |||||||||||||||||||
| IH200-150-250 | 160 | 530| | 280 | 275 | 100 | 200 | 150 | 28 | 65 | 500 | 400 | 110 | 145 | 20 | 14 | 370 | M20 | M12 | 42 | 110 | 180 |
| IH200-150-315 | 650 | 315 | 400 | 38 | 80 | 550 | 450 | 110 | 200 | 30 | 500 | M20 | M16 | 48 | |||||||
| IH200-150-400 | 450 | ||||||||||||||||||||
IH不锈钢离心泵进出口法兰尺寸图

IH不锈钢离心泵进出口法兰尺寸表
| 产品型号 | 吸 入 口 法 兰 | 排 出 口 法兰 | ||||||||||||
| DN, | D, | D,. | d, | b, | f, | n,-d。 | DN, | D. | D₁ | d₃ | b₂ | f₂ | n₂-d。 | |
| IH50-32-125 | 50 | 165 | 125 | 99 | 20 | 3 | 4-17.5 | 32 | 140 | 100 | 76 | 18 | 2 | 4-17.5 |
| IH50-32-160 | ||||||||||||||
| IH50-32-200 | ||||||||||||||
| IH50-32-250 | ||||||||||||||
| IH65-50-125 | 65 | 185 | 145 | 118 | 50 | 165 | 125 | 99 | 20 | 3 | ||||
| IH65-50-160 | ||||||||||||||
| IH65-40-200 | 40 | 150 | 110 | 84 | 18 | |||||||||
| IH65-40-250 | ||||||||||||||
| IH65-40-315 | ||||||||||||||
| IH80-65-125 | 80 | 200 | 160 | 132 | 8-17.5 | 65 | 185 | 145 | 118 | 20 | ||||
| IH80-65-160 | ||||||||||||||
| IH80-50-200 | 50 | 165 | 125 | 99 | ||||||||||
| IH80-50-250 | ||||||||||||||
| IH80-50-315 | ||||||||||||||
| IH100-80-125 | 100 | 220 | 180 | 156 | 22 | 80 | 200 | 160 | 132 | 8-17.5 | ||||
| IH100-80-160 | ||||||||||||||
| IH100-65-200 | 65 | 185 | 145 | 118 | 4-17.5 | |||||||||
| IH100-32-315 | ||||||||||||||
| IH100-65-315 | ||||||||||||||
| IH125-100-200 | 125 | 250 | 210 | 184 | 100 | 220 | 180 | 156 | 22 | 8-17.5 | ||||
| IH125-100-250 | ||||||||||||||
| IH125-100-315 | ||||||||||||||
| IH125-100-400 | ||||||||||||||
| IH150-125-250 | 150 | 285 | 240 | 211 | 24 | 8-22 | 125 | 250 | 210 | 184 | ||||
| IH150-125-315 | ||||||||||||||
| IH150-125-400 | ||||||||||||||
| IH200-150-250 | 200 | 340 | 295 | 266 | 150 | 285 | 240 | 211 | 24 | |||||
| IH200-150-315 | ||||||||||||||
| IH200-150-400 | ||||||||||||||
IH不锈钢离心泵外形安装尺寸图

IH不锈钢离心泵外形安装尺寸表
| 产品型号 | 电机型号功率(Kw) | 外 型 及 安 装 尺 寸 | 机组 重量(Kg) | ||||||||||||||||||
| A | L, | L₂ | L, | L₄ | a | f | X | L | B,/B₂ | B₂ | B, | h, | h/h, | h, | H | H, | H₂ | n-d | |||
| H50-32-125 | YB801-40.55 | 80 | 820 | 150 | 540 | 330 | 80 | 385 | 00 | 895 | 150225 | 360 | 320 | 112 | 170325 | 25 | 237 | 377 | 482 | 4-φ185 | |
| YB802-2/1.1 | |||||||||||||||||||||
| YB90S-2/1.5 | 360 | 925 | 155225 | 190340 | 487 | ||||||||||||||||
| YB90L-222 | 920 | 170 | 600 | 385 | 950 | 390 | 350 | 30 | |||||||||||||
| YB100L-23.0 | 430 | 995 | 180225 | 245370 | 507 | 4-φ185 | |||||||||||||||
| IH50-32-160 | YB801-4/0.55 | 80 | 820 | 150 | 540 | 330 | 80 | 385 | 100 | 895 | 15025 | 360 | 320 | 132 | 170325 | 25 | 257 | 417 | 502 | 4-φ24 | |
| YB802-4/0.75 | |||||||||||||||||||||
| YB90S-4/1.1 | 360 | 925 | 155225 | 190340 | 507 | ||||||||||||||||
| YB90L-222 | 920 | 170 | 600 | 385 | 950 | 390 | 350 | 30 | |||||||||||||
| YB100L-23.0 | 430 | 995 | 180225 | 245370 | 522 | ||||||||||||||||
| YB112M-2/4.0 | 460 | 1025 | 190225 | 265385 | 530 | ||||||||||||||||
| YB132S1-25.5 | 1020 | 190 | 660 | 510 | 1070 | 210240 | 450 | 400 | 315430 | 555 | 4-φ185 | ||||||||||
| IH50-32-200 | YB801-4/0.55 | 80 | 820 | 150 | 540 | 330 | 80 | 385 | 100 | 896 | 150225 | 360 | 320 | 160 | 170325 | 25 | 285 | 465 | 530 | 4-φ24 | |
| YB802-4/0.75 | |||||||||||||||||||||
| YB90S-4/1.1 | 360 | 925 | 55255 | 90340 | 535 | ||||||||||||||||
| YB90L-4/15 | 920 | 170 | 600 | 385 | 950 | 390 | 350 | 30 | |||||||||||||
| YB112M-5/4.0 | 460 | 1025 | 190225 | 265385 | 558 | ||||||||||||||||
| YB132S-25.5 | 1020 | 190 | 660 | 510 | 075 | 210240 | 450 | 400 | 315430 | 583 | |||||||||||
| YB132S-27.5 | |||||||||||||||||||||
| YB160M-2/11 | 1140 | 210 | 740 | 665 | 1220 | 255240 | 490 | 440 | 385485 | 300 | 480 | 625 | |||||||||
| IH50-32-250 | YB90S-4/1.1 | 95 | 020 | 190 | 660 | 360 | 100 | 500 | 100 | 060 | 155225 | 450 | 400 | 180 | 190340 | 30 | 305 | 530 | 565 | 4-φ24 | |
| YB9OL-4/15 | 385 | 085 | |||||||||||||||||||
| YB100L1-4/22 | 430 | 130 | 180255 | 245370 | 575 | ||||||||||||||||
| YB100L1-43.0 | |||||||||||||||||||||
| YB132S2-27.5 | 140 | 210 | 740 | 510 | 1210 | 210240 | 490 | 440 | 315430 | 320 | 545 | 618 | |||||||||
| YB160M1-2/11 | 1270 | 225 | 840 | 655 | 355 | 255240 | 540 | 490 | 385485 | 340 | 565 | 665 | |||||||||
| YB160M2-2/15 | |||||||||||||||||||||
| YB160L-2/18.5 | 695 | 1395 | |||||||||||||||||||
| YB180M-222 | 730 | 1430 | 285240 | 430525 | 685 | ||||||||||||||||
IH不锈钢离心泵外形安装尺寸表2
| 产品型号 | 电机型号功率(Kw) | 外 型 及 安 装 尺 寸 | 机组重量(Kg) | ||||||||||||||||||
| A | L, | L₂ | L, | L. | a | f | X | L | B,/B₂ | B₂ | B, | h, | h,/h, | h, | H | H, | H₂ | n-d | |||
| IH65-50-125 | YB801-4055 | 80 | 820 | 150 | 540 | 330 | 80 | 385 | 100 | 895 | 150225 | 360 | 320 | 112 | 170325 | 25 | 237 | 377 | 482 | ||
| YB802-40.75 | |||||||||||||||||||||
| YB90L-2/22 | 920 | 170 | 600 | 385 | 950 | 155225 | 390 | 350 | 190340 | 30 | 487 | 4-φ185 | |||||||||
| YB100L-230 | 430 | 995 | 180225 | 245370 | 507 | ||||||||||||||||
| YB112M-24.0 | 460 | 025 | 190225 | 265385 | 510 | ||||||||||||||||
| YB132S,-25.5 | 020 | 190 | 660 | 510 | 1075 | 210240 | 450 | 400 | 315430 | 535 | 4-φ24 | ||||||||||
| IH65-50-160 | YB801-4055 | 80 | 820 | 150 | 540 | 330 | 80 | 385 | 100 | 895 | 150225 | 360 | 320 | 132 | 170325 | 25 | 257 | 417 | 502 | 4-φ185 | |
| YB802-40.75 | |||||||||||||||||||||
| YB90S-4/1.1 | 360 | 925 | 155/25 | 190340 | 507 | ||||||||||||||||
| YB90L-4/1.5 | 920 | 170 | 600 | 385 | 950 | 390 | 350 | 30 | |||||||||||||
| YB100L-230 | 430 | 995 | 180225 | 245370 | 527 | ||||||||||||||||
| YB112M-2/4.0 | 460 | 1025 | 190225 | 265385 | 530 | ||||||||||||||||
| YB132S,-25.5 | 020 | 190 | 660 | 510 | 075 | 210240 | 450 | 440 | 315430 | 555 | 4-φ24 | ||||||||||
| YB132S-2/75 | |||||||||||||||||||||
| YB160M-2/11 | 1140 | 210 | 740 | 655 | 1220 | 255240 | 490 | 400 | 385485 | 272 | |432 | 597 | |||||||||
| IH65-40-200 | YB802-40.75 | 80 | 920 | 170 | 600 | 330 | 100 | 385 | 100 | 915 | 150225 | 390 | 350 | 60 | 170325 | 30 | 285 | 465 | 530 | 4-φ185 | |
| YB90S-4/1.1 | 360 | 945 | 150225 | 190340 | 535 | ||||||||||||||||
| YB9OL-4/1.5 | 385 | 970 | |||||||||||||||||||
| YB100L,-422 | 430 | 1015 | 180225 | 245370 | 555 | ||||||||||||||||
| YB132S,-25.5 | 020 | 190 | 660 | 510 | 095 | 210240 | 450 | 400 | 315430 | 583 | 4-φ24 | ||||||||||
| YB132S,-25.5 | |||||||||||||||||||||
| YB160M,-2/11 | 140 | 210 | 740 | 665 | 240 | 255240 | 490 | 440 | 385485 | 300 | 480 | 625 | |||||||||
| YB160M,-2/15 | |||||||||||||||||||||
| IH66-40-250 | YB90S-4/1.1 | 95 | 020 | 190 | 660 | 360 | 10 | 500 | 100 | 10601080 | 155255 | 450 | 400 | 180 | 190430 | 30 | 305 | 530 | 555 | 4-φ24 | |
| YB90L-4/1.5 | 385 | ||||||||||||||||||||
| YB100L-422 | 430 | 130 | |180225 | 245370 | 575 | ||||||||||||||||
| YB100L-43.0 | |||||||||||||||||||||
| YB112M-4/4.0 | 460 | 1160 | 190225 | 265385 | 578 | ||||||||||||||||
| YB160M,-2/11 | 270 | 225 | 840 | 655 | 1355 | 255240 | 540 | 490 | 385485 | 340 | 565 | 665 | |||||||||
| YB160M-2-15 | |||||||||||||||||||||
| YB160L-2-18.5 | 695 | 1395 | |||||||||||||||||||
| YB180M-2-22 | 730 | 430 | 280240 | 430525 | 685 | ||||||||||||||||
| YB200L-230 | 420 | 250 | 940 | 803 | 530 | 310290 | 610 | 550 | 475590 | 40 | 360 | |585 | 750 | 4-φ28 | |||||||
| IH65-40-315 | YB100L,-43.0 | 95 | 140 | 210 | 740 | 430 | 125 | 500 | 100 | 155 | 180225 | 490 | 440 | 200 | 245705 | 30 | 340 | 590 | 610 | 4-φ24 | |
| YB112M-4/4.0 | 460 | 185 | 190225 | 265385 | 613 | ||||||||||||||||
| YB132S 455 | 510 | 12351275 | 210240 | 315430 | 638 | ||||||||||||||||
| YB132M-4/7.5 | 550 | ||||||||||||||||||||
| YB160M-4/11 | 1270 | 225 | 840 | 655 | 380 | 255240 | 540 | 490 | 385486 | 360 | 610 | 685 | |||||||||
| YB160M,-2/15 | |||||||||||||||||||||
| YB160L-2/18.5 | 695 | 420 | |||||||||||||||||||
| YB180M-222 | 730 | 1455 | 285240 | 430525 | 705 | ||||||||||||||||
| YB200L-230 | 420 | 250 | 940 | 803840 | 528 | 310290 | 610 | 550 | 475590 | 40 | 380 | 630 | 770 | 4-φ28 | |||||||
| YB200L,-237 | |||||||||||||||||||||
| YB225M-2/45 | 565 | 345290 | 530615 | ||||||||||||||||||
IH不锈钢离心泵外形安装尺寸表3
| 产品型号 | 电机型号功率(Kw) | 外 型 及 安 装 尺 寸 | 机组重量(Kg) | ||||||||||||||||||
| A | L, | L₂ | L₃ | L₄ | a | f | X | L₅ | B/B₂ | B₂ | B, | h₁ | h,/h₂ | h, | H | H, | H₂ | n-d | |||
| IH80-65-125 | YB801-4/0.55 | 80 | 820 | 150 | 540 | 330 | 100 | 385 | 100 | 915 | 150/225 | 360 | 320 | 132 | 170/325 | 25 | 257 | 417 | 502 | 4-φ18.5 | |
| YB802-4/0.75 | |||||||||||||||||||||
| YB90S-4/1.1 | 360 | 945 | 155/225 | 190/340 | 507 | ||||||||||||||||
| YB90L-4/1.5 | 920 | 170 | 600 | 385 | 970 | 390 | 350 | 30 | 527 | ||||||||||||
| YB100L-2/3.0 | 430460 | 015 | 180/225 | 245/370 | 530 | ||||||||||||||||
| YB112M-2/4.0 | 1045 | 190/225 | 265/385 | 555 | |||||||||||||||||
| YB132S,-2/5.5 | 020 | 190 | 660 | 510 | 1095 | 210/240 | 450 | 400 | 315/430 | 597 | 4-φ24 | ||||||||||
| YB132S-2/7.5 | |||||||||||||||||||||
| YB160M,-2/11 | 140 | 210 | 740 | 655 | 1240 | 255/240 | 490 | 440 | 385/485 | 372 | 432 | 530 | |||||||||
| IH80-65-160 | YB802-4/0.75 | 80 | 920 | 170 | 600 | 330360385 | 100 | 385 | 100 | 915| | 150/225 | 390 | 350 | 160 | 170/325 | 30 | 285 | 465 | 4-φ18.5 | ||
| YB90S-4/1.1 | 945 | 155/225 | 90/340 | 535 | |||||||||||||||||
| YB90L-4/1.5 | 970 | ||||||||||||||||||||
| YB100L,-4/3.2 | 430 | 1015 | 180/225 | 245/370 | 555 | ||||||||||||||||
| YB132S,-2/5.5 | 020 | 190 | 660 | 510 | 1095 | 210/240 | 450 | 400 | 315/43Q | 583 | 4-φ24| | ||||||||||
| YB132S-2/7.5 | |||||||||||||||||||||
| YB160M,-2/11 | 140 | 210 | 740 | 655 | 1240 | 255/240 | 490 | 440 | 385/485 | 300 | 480 | 625 | |||||||||
| YB160M-2/15 | |||||||||||||||||||||
| IH80-50-200 | YB90S-4/1.1 | 80 | 920 | 170 | 600 | 360385430 | 100 | 385 | 100 | 945 | 155/225 | 390 | 350 | 160 | 190/340 | 30 | 285 | 485 | 535 | 4-φ18.5 | |
| YB90L-4/1.5 | 970 | ||||||||||||||||||||
| YB100L,-4/2.2 | 1015 | 180/225 | 245/370 | 555 | |||||||||||||||||
| YB100L-4/3.0 | |||||||||||||||||||||
| YB112M-4/4.0 | 460 | 1045 | 190/225 | 265/385 | 558 | ||||||||||||||||
| YB132S,-2/7.5 | 020 | 190 | 660 | 510 | 1095 | 210/240 | 450 | |400 | 315/430 | 583 | 4-φ24 | ||||||||||
| YB160M-2/11 | 140 | 210 | 740 | 655 | 1240 | 255/240 | 490 | 440 | 385/485 | 300 | 500 | 625 | |||||||||
| YB160M,-2/15 | |||||||||||||||||||||
| YB160L-2/18.5 | 695730 | 1280 | |||||||||||||||||||
| YB180M-2/22 | 1315 | 285/240 | 430/525 | 645 | |||||||||||||||||
| IH80-50-250 | YB100L,-4/2.2 | 95 | 020 | 190 | 660 | 430[460 | 125 | 500 | 100 | 1155 | 180/225 | 450 | |400 | 180 | 245/370 | 30 | 305 | 530 | 575 | 4-φ24 | |
| YB100L-4/3.0 | |||||||||||||||||||||
| YB112M-4/4.0 | 1185 | 190/225 | 265/385 | 578 | |||||||||||||||||
| YB132S-4/5.5 | 140 | 210 | 740 | 510550 | 12351275 | 210/240 | 490 | |440 | 315/430 | 320 | 545 | 618 | |||||||||
| YB132M-4/7.5 | |||||||||||||||||||||
| YB160M-2/15 | 270 | 225 | 840 | 655 | 1380 | 255/240 | 540 | |490 | 385/485 | 340 | 565 | 665 | |||||||||
| YB160L-2/18.5 | 695 | 1420 | |||||||||||||||||||
| YB180M-2/22 | 730 | 1455 | 285/240 | 430/525 | 685 | ||||||||||||||||
| YB200L,-2/30 | 420 | 250 | 940 | 803840 | 1582 | 310/290 | 610 | 550 | 475/590 | 40 | 360 | 685 | 750 | 4-024 | |||||||
| YB200L-2/37 | |||||||||||||||||||||
| YB225M-2/45 | 1565 | 345/290 | 530/615 | 638 | |||||||||||||||||
| IH80-50-315 | YB112M-4/4.0 | 95 | 140 | 210 | 740 | 460510 | 125 | 500 | 100 | 1185 | 190/225 | 490 | 440 | 225 | 265/385 | 30 | 365 | 645 | 663 | 4-φ24 | |
| YB132S-4/5.5 | 12351275 | 210/240 | 315/430 | ||||||||||||||||||
| YB132M-4/7.5 | 550 | ||||||||||||||||||||
| YB160M-4/11 | 270 | 225 | 840 | 655695 | 13801420 | 255/240 | 540 | |490 | 385/485 | 385 | 665 | 710 | |||||||||
| YB160L-4/15 | |||||||||||||||||||||
| YB200L-2/30 | 420 | 250 | 940 | 803 | 1528 | 310/290 | 610 | 550 | 475/590 | 40 | 405 | 385 | 795 | 4-φ28 | |||||||
| YB200L,-3/37 | |||||||||||||||||||||
| YB225M-2/45 | 840 | 1565 | 345/290 | 530/615 | |||||||||||||||||
| YB220M-2/55 | 620 | 290 | i060 | 935 | 660 | 385/330 | 660 | 600 | 575/740 | 425 | 705 | 915 | |||||||||
| YB280S-2/75 | 820 | 320 | 1200 | h010 | 1735 | 410/330 | 730 | 670 | 640/800 | 945 | |||||||||||
IH不锈钢离心泵外形安装尺寸表4
| 产品型号 | 电机型号功率(Kw) | 外 型 及 安 装 尺 寸 | 机组 重量 (Kg) | ||||||||||||||||||
| A | L, | L, | L, | L. | a | f | X | L, | B,/B₂ | B₂ | B, | h, | h,/h, | h, | H | H, | H₂ | n-d | |||
| IH100-80-125 | YB802-4/0.75 | 95 | 920 | 170 | 600 | 330 | 100 | 385 | 100 | 915 | 150/225 | 390 | 350 | 160 160 180 | 170/325 | 30 | 285 | 465 | 530 | ||
| YB90S-4/1.1 | 360 | 945 | 155/225 | 190/340 | 535 | ||||||||||||||||
| YB90L-4-1.5 | 385 | 970 | |||||||||||||||||||
| YB100L1-4/2.2 | 430 | 1015 | 180/225 | 245/370 | 555 | 4-φ18.5 | |||||||||||||||
| YB100L2-4/3.0 | |||||||||||||||||||||
| YB112M-4/4.0 | 460 | 1045 | 190/225 | 265/385 | 558 | ||||||||||||||||
| YB132S1-2/5.5 | 1020 | 190 | 660 | 510 | 1095 | 210/240 | 450 | 400 | 315/430 | 583 | 4-φ24 | ||||||||||
| YB132S2-2/7.5 | |||||||||||||||||||||
| YB160M1-2/11 | 140 | 210 | 740 | 655 | 240 | 255/240 | 490 | 440 | 385/485 | 300 | 480 | 625 | |||||||||
| YB160M2-2/15 | |||||||||||||||||||||
| IH100-80-160 | YB90L-4/1.5 | |95| | 1020 | 190 | 660 | 385 | 100 | 500 | 100 | 1085 | 155/225 | 450 | 400 | 200 | 190/340 | 30 | 285 | 485 | 535 | 4-φ24 | |
| YB100L1-4/2.2 | 430 | 130 | 180/225 | 245/370 | 555 | ||||||||||||||||
| YB100L2-4/3.0 | |||||||||||||||||||||
| YB112M-4/4.0 | 460 | 1160 | 190/225 | 265/385 | 558 | ||||||||||||||||
| YB132S2-2/7.5 | 1140 | 210 | 740 | 510 | 210 | 210/240 | 490 | 440 | 315/430 | 300 | 500 | 598 | |||||||||
| YB160M1-2/11 | 1270 | 225 | 840 | 655 | 1355 | 255/240 | 540 | 490 | 385/485 | 320 | 520 | 640 | |||||||||
| YB160M2-2/15 | |||||||||||||||||||||
| YB160L-2/18.5 | 695 | 1395 | |||||||||||||||||||
| YB180M-2/22 | 730 | 1430 | 285/240 | 430/525 | 665 | ||||||||||||||||
| YB200L-4/30 | 1420 | 250 | 940 | 803 | 1503 | 310/290 | 610 | |550 | 475/590 | 40 | 340 | 540 | 730 | 4-φ28 | |||||||
| IH100-65-200 | YB100L1-4/2.2 | 95 | 1140 | 210 | 740 | 430 | 100 | 500 | 140 | 170 | 180/225 | 490 | 440 | 245/370 | 30 | 320 | 545 | 590 | 4-φ24 | ||
| YB100L2-4/3.0 | |||||||||||||||||||||
| YB112M-4/4.0 | 460 | 1200 | 190/225 | 265/385 | 593 | ||||||||||||||||
| YB132S-4/5.5 | 510 | 1250 | 210/240 | 315/430 | 618 | ||||||||||||||||
| YB132M-4/7.5 | 550 | 1290 | |||||||||||||||||||
| YB160M2-2/15 | 1270 | 225 | 840 | 655 | 1395 | 255/240 | 540 | 490 | 385/485 | 340 | 565 | 665 | |||||||||
| YB160L-2/18.5 | 695 | 1435 | |||||||||||||||||||
| YB180M-2/22 | 730 | 1470 | 285/240 | 430/525 | 685 | ||||||||||||||||
| YB200L1-2/30 | 420 | 250 | 940 | 803840 | 543 | 310/290 | 610 | 550 | 475/590 | 40 | 360 | 585 | 750 | 4-φ28 | |||||||
| YB200L2-2/37 | |||||||||||||||||||||
| YB225M-2/45 | 1580 | 345/290 | 530/815 | ||||||||||||||||||
| IH100-65-250 | YB100L2-4/3.0 | 110 | 1140 | 210 | 740 | 430 | 125 | 500 | 140 | 1195 | 180/225 | 490 | 440 | 245/370 | 30 | 340 | 590 | 610 | 4-φ24 | ||
| YB112M-4/4.0 | 460 | 1225 | 190/225 | 265/385 | 613 | ||||||||||||||||
| YB132S-4/5.5 | 510 | 1275 | 210/240 | 315/480 | 638 | ||||||||||||||||
| YB132M-4/7.5 | 550 | 1315 | |||||||||||||||||||
| YB160M-4/11 | 270 | 225 | 840 | 655 | 1420 | 255/240 | 540 | 490 | 385/485 | 360 | 610 | 685 | |||||||||
| YB160L-4/15 | 695 | 1460 | |||||||||||||||||||
| YB180M-2/22 | 730 | 1495 | 285/240 | 430/525 | 766 | ||||||||||||||||
| YB200L-2/30 | 1420 | 250 | 940 | 803 | 1570 | 310/290 | 610 | |550 | 475/290 | 380 | 630 | 776 | 4-φ28 | ||||||||
| YB200L2-2/37 | |||||||||||||||||||||
| YB225M-2/45 | 870 | 1635 | 345/290 | 530/615 | 790 | ||||||||||||||||
| YB250M-2/55 | 1620 | 290 | 060 | 935 | 1700 | 385/290 | 660 | 600 | 575/740 | 400 | 650 | 890 | |||||||||
| YB280S-2/75 | 1820 | 320 | 1200 | 1010 | 1776 | 410/330 | 730 | 670 | 640/800 | 920 | |||||||||||
IH不锈钢离心泵外形安装尺寸表5
| 产品型号 | 电机型号功率(Kw) | 外 型 及 安 装 尺 寸 | 机组 重量 (Kg) | ||||||||||||||||||
| A | L, | L, | L, | L. | a | f | X | L | B,/B, | B, | B, | h, | h/h₂ | h, | H | H, | H, | n-d | |||
| IH100-65-315 | YB132S-4/5.5 | h10 | 1270 | 225 | 840 | 510 | 125 | 530 | 140 | 1305 | 210/240 | 540 | 490 | 225 | 315/430 | 30 | 385 | 665 | 683 | 4-φ24 | |
| Y8132M-4/7.5 | 550 | 1345 | |||||||||||||||||||
| YB160M-4/11 | 655 | 1450 | 255/240 | 385/485 | 710 | ||||||||||||||||
| YB160L-4/15 | 420 | 250 | 940 | 695 | 1490 | 610 | 550 | 40 | 405 | 685 | 4-φ28 | ||||||||||
| YB180M-4/18.5 | 730 | 1525 | 285/240 | 430/525 | 750 | ||||||||||||||||
| YB200L2-2/37 | 310/290 | 475/590 | 795 | ||||||||||||||||||
| YB225M-2/45 | 620 | 290 | |1060 | 870 | 1665 | 345/290 | 660 | 600 | 530/615 | 425 | 705 | 815 | |||||||||
| YB250M-2/55 | 935 | 1730 | 385/330 | 575/740 | 915 | ||||||||||||||||
| YB280S-2/75 | 820 | 320 | 1200 | 1010 | 1805 | 410/330 | 730 | 670 | 640/800 | 945 | |||||||||||
| YB280M-2/90 | 1060 | 1855 | |||||||||||||||||||
| IH125-100-200 | YB112M-4/4.0 | 110 | 1140 | 210 | 740 | 460 | 125 | 500 | 140 | 1225 | 190/225 | 490 | 440 | 200 | 265/385 | 30 | 340 | 620 | 613 | 4-φ24 | |
| YB132S-4/5.5 | 510 | 1275 | 210/240 | 315/430 | 638 | ||||||||||||||||
| YB132M-4/7.5 | 550 | 1315 | |||||||||||||||||||
| YB160M-4/11 | 1270 | 225 | 810 | 655 | 1420 | 255/240 | 540 | 490 | 385/485 | 360 | 640 | 685 | |||||||||
| YB200L1-2/30 | 1420 | 250 | |940 | 803 | 1568 | 310/290 | 610 | 550 | 475/590 | |40 | 380 | 660 | 770 | 4-φ28 | |||||||
| YB200L2-2/37 | |||||||||||||||||||||
| YB225M-2/45 | 840 | 1605 | 345/290 | 530/615 | |||||||||||||||||
| YB250M-2/55 | 620 | 290 | |1060 | 935 | 1700 | 385/330 | 660 | 600 | 575/740 | 400 | 680 | 890 | |||||||||
| YB280-2/75 | 820 | 320 | 1200 | 1010 | 1775 | 410/330 | 730 | 670 | 640/800 | 920 | |||||||||||
| IH125-100-250 | YB132S-4/5.5 | 110 | 270 | 225 | 840| | 510 | 140 | 530 | 140 | 1320 | 210/240 | 540 | 490 | 225 | 315/430 | 30 | 385 | 545 | 683 | 4-φ24 | |
| YB132M-4/7.5 | 550 | 13660 | |||||||||||||||||||
| YB160M-4/11 | 655 | 1460 | 255/240 | 710 | |||||||||||||||||
| YB160L-4/15 | 1420 | 250 | 940 | 695 | 1505 | 610 | 550 | 385/485 | 40 | 405 | 685 | 730 | 4-φ28 | ||||||||
| YB180M-4/18.5 | 730 | 1540 | 285/240 | 430/525 | 750 | ||||||||||||||||
| YB225M-2/45 | 620 | 290 | 1060 | 840 | 1650 | 345/290 | 660 | 600 | 530/615 | 425 | 705 | 815 | |||||||||
| YB250M-2/55 | 935 | 1745 | 385/330 | 575/740 | 915 | ||||||||||||||||
| YB280S-2/75 | 820 | 320 | |1200 | 1010 | 1820 | 410/330 | 730 | 670 | 640/800 | 945 | |||||||||||
| YB280M-2/90 | 1060 | 1870 | |||||||||||||||||||
| IH125-100-315 | YB160M-4/1.1 | 110 | 1270 | 225 | 840 | 655 | 140 | 530 | 140 | 1465 | 255/240 | 540 | 490 | 250 | 385/485 | 30 | 410 | 725 | 735 | 4-φ24 | |
| YB160L-4/15 | 1420 | 250 | 940 | 695 | 1505 | 610 | 550 | 40 | 430 | 745 | 755 | 4-φ28 | |||||||||
| YB180M-4/18.5 | 730 | 1540 | 285/240 | 430/525 | 775 | ||||||||||||||||
| YB180L-4/22 | 750 | 1560 | |||||||||||||||||||
| YB200L-4/30 | 803 | 1613 | 310/290 | 475/590 | 820 | ||||||||||||||||
| Y8225S-4/37 | 845 | 1655 | 345/290 | 530/615 | |||||||||||||||||
| YB280S-2/75 | 1820 | 320 | 1200 | 10101060 | 1820 | 410/330 | 730 | 670 | 640/800 | 450 | 765 | 970 | |||||||||
| YB280M-2/90 | 1870 | ||||||||||||||||||||
| IH125-100-400 | YB160L-4/15 | 130 | 1620 | 290 | 1060 | 695 | 140 | 530 | 140 | 1505 | 225/240 | 660 | 600 | 280 | 385/485 | 40 | 480 | 835 | 805 | 4-φ28 | |
| YB180M-4/18.5 | 730 | 1540 | 285/240 | 430/525 | 825 | ||||||||||||||||
| YB180L-4/22 | 750 | 1560 | |||||||||||||||||||
| YB200L-4/30 | 803 | 1613 | 310/290 | 475/590 | 870 | ||||||||||||||||
| YB225S-4/37 | 845 | 1655 | 345/290 | 530/615 | |||||||||||||||||
| YB225M-4/45 | 870935 | 1680 | |||||||||||||||||||
| YB250M-4/55 | 1745 | 385/330 | 575/740 | 970 | |||||||||||||||||
IH不锈钢离心泵外形安装尺寸表6
| 产品型号 | 电机型号功率(Kw) | 外 型 及 安 装 尺 寸 | 机组 重量 (Kg) | ||||||||||||||||||
| A | L, | L₂ | L, | L | a | f | X | L. | B/B₂ | B₂ | B, | h, | h₂/h₂ | h, | H | H, | H₂ | n-d | |||
| IH50-125-250 | YB160M-4/11 | 110 | 1270 | 225 | 840 | 655 | 140 | 530 | 140 | 1465 | 255/240 | 540 | 490 | 250 | 385/485 | 30 | 410 | 765 | 735 | 4-φ24 | |
| YB160L-4/15 | 1420 | 250 | 940 | 695 | 1505 | 610 | 550 | 40 | 430 | 785 | 755 | 4-φ28 | |||||||||
| YB180M-4/18.5 | 730 | 1540 | 285/240 | 430/525 | 775 | ||||||||||||||||
| YB180L-4/22 | 750 | 1560 | |||||||||||||||||||
| YB200L-4/30 | 803 | 1613 | 310/290 | 475/590 | 820 | ||||||||||||||||
| YB225S-4/37 | 845 | 1655 | 345/290 | 530/615 | |||||||||||||||||
| IH150-125-315 | YB180M-4/18.5 | 130 | 1620 | 290 | 1060 | 730 | 140 | 530 | 140F | 1540 | 285/240 | 660 | 600 | 280 | 430/525 | 40 | 480 | 835 | 825 | 4-φ28 | |
| YB180L-4/22 | 750 | 1560 | |||||||||||||||||||
| YB200L-4/30 | 803 | 1613 | 310/290 | 470/590 | 870 | ||||||||||||||||
| YB225S-4/37 | 840 | 1650 | 345/290 | 530/615 | |||||||||||||||||
| YB225M-4/45 | 870 | 1680 | |||||||||||||||||||
| YB250M-4/55 | 935 | 1745 | |385/330 | 575/740 | 970 | ||||||||||||||||
| IH150-125-400 | YB200L-4/30 | 110 | 1620 | 290 | 1200 | 803 | 140 | 530 | 140 | 1613 | 310/290 | 660 | 600 | 315 | 475/590 | 40 | 515 | 915 | 905 | 4-φ28 | |
| YB225S-4/37 | 845 | 1655 | 325/290 | 530/615 | |||||||||||||||||
| YB225M-4/45 | 870 | 1680 | |||||||||||||||||||
| YB250-4/55 | 935 | 1745 | 385/330 | 575/740 | 1005 | ||||||||||||||||
| YB280S-4/75 | 1820 | 320 | 1200 | 1010060 | 1820 | 410/330 | 730 | 670 | 640/800 | 1035 | |||||||||||
| YB280M-4/90 | 1870 | ||||||||||||||||||||
| IH200-150-250 | YB180L-4/22 | 130 | 1620 | 290 | 1060 | 750 | 160 | 530| | 180 | 1620 | 285/240 | 660 | 600 | 280 | 430/525 | 40 | 480 | 855 | 825 | 4-φ28 | |
| YB200L-4/30 | 803 | 1673 | 310/290 | 475/590 | 870 | ||||||||||||||||
| YB225S-4/37 | 840 | 1710 | 345/290 | 530/615 | |||||||||||||||||
| YB225M-4/45 | 870 | 1740 | |||||||||||||||||||
| YB250M-4/55 | 935 | 1805 | 385/330 | 575/740 | 970 | ||||||||||||||||
| YB280S-4/75 | 1820 | 320 | 1200 | 010 | 1880 | 410/330 | 730 | 670 | 640/800 | 1000 | |||||||||||
| IH200-150-315 | YB200L-4/30 | 130 | 1820 | 320 | 1200 | 803 | 160 | 670 | 180 | 1813 | 310/290 | 730 | 670 | 315 | 475/590 | 40 | 515 | 915 | 905 | 4-φ28 | |
| YB225S-4/37 | 845 | 1855 | 345/290 | 530/615 | |||||||||||||||||
| YB225M-4/45 | 870 | 1880 | |||||||||||||||||||
| YB250M-4/55 | 935 | 1945 | 385/330 | 575/740 | 1005 | ||||||||||||||||
| YB280S-4/75 | 0101060 | 20202070 | 410/330 | 640/800 | 1035 | ||||||||||||||||
| YB280M-4/90 | |||||||||||||||||||||
| IH200-150-400 | YB250M-4/55 | 130 | 1820 | 1200 | 1200 | 93510101060 | 160 | 670 | 180 | 1945 | 385/330 | 730 | 670 | 315 | 575/740 | 40 | |515 | 965 | 1005 | 4-φ28 | |
| YB280S-4/75 | 20202070 | 410/330 | 640/800 | 1035 | |||||||||||||||||
| YB280M-4/90 | |||||||||||||||||||||
IH不锈钢离心泵的安装
1 开箱后检查泵和电机,如果证实没有任何因装、卸和运输过程中造成的损坏和紧固连接件松动,泵的进出口封盖完好,没有尘土,污物等进入泵内,则可不必重新拆卸和装配,直接送到使用现场去安装。
2 安装泵的基础平面应用水平仪找平,待基础水泥凝固后,将泵安装在基础上,并用水平仪检查泵和电机轴的水平情况,如不水平,应用垫铁调正,直到水平为止。然后通过灌浆孔
用水泥浇灌底座和地脚螺栓孔眼。
3 水泥干固后,应检查底座和地脚螺栓孔眼是否松动,合适后拧紧地脚螺栓,重新检查水平度。
4 在电机、泵和底座重新安装的情况下,应严格检查泵轴和电机轴的同心度。测量联轴器的外围上下左右的差别不得超过0.1mm,两联轴器端面间隙一周上最大和最小的间隙不超过0.3mm.
5 泵的吸入管路和压出管路应有各自的支架,不允许管路的重量直接由泵来承受,以免把泵压坏。
6 泵的安装位置高于液面(在泵的吸程允许范围内)时,应在吸入管路端部装上底阀,并在排出管路上设置灌液螺孔或阀门,供起动前灌泵之用。泵的安装位置低于液面( 灌注情况)时,应在泵吸入管路上装控制阀门过滤装置,以防异物吸入泵内。