您所在的位置:


YBC齿轮油泵
YBC齿轮油泵概述
YBC系列齿轮油泵,具有压力高,流量大,体积小,重 量轻,效率高等特点。被广泛的应用于矿山机械、工程机械、 农业机械、化工机械、金属切削机床及起重运输和渔业打捞 等的液压系统中。

YCB齿轮油泵产品图
YBC齿轮油泵工作原理
外壳与前盖组成的密闭油腔内,装有 4 个相同尺寸的滑 动轴承,分别支承着一对参数相同、互相啮合的主、被动齿轮,主动齿轮带动被动齿轮旋转,啮合过程中齿间容积由小到大变化,形成吸排油过程。
YBC齿轮油泵型号说明

YBC齿轮油泵技术参数
| 型号 | 公称排量(ml/r) | 压力(Mpa) | 转速(r/min) | 输入功 率(kw) | 出入管口尺寸 | 容积 效率 | 质量kg | |||
| 额定 | 最大 | 额定 | 最大 | 入口 | 出 口 | |||||
| YBC-5/80 | 4 | 8 | 12 | 1500 | 2000 | 1.4 | G5/8" | G3/8" | ≥90 | 1.75 |
| YBC-12/80 | 8 | 8 | 12 | 1500 | 2000 | 2.8 | G5/8" | G3/8" | 1.75 | |
| YBC-20/80 | 14 | 8 | 12 | 1500 | 2000 | 4.6 | G5/8" | G3/8" | 1.75 | |
| YBC-30/80 | 20 | 8 | 12 | 1500 | 2000 | 5.8 | G1" | G5/8" | 4.75 | |
| YBC-45/80 | 31.5 | 8 | 12 | 1500 | 2000 | 9.2 | G1" | G5/8' | 4.75 | |
| YBC-60/80 | 40 | 8 | 12 | 1500 | 2000 | 11.7 | G1" | G5/8" | 5.00 | |
| YBC-16/160 | 8 | 16 | 20 | 2000 | 2000 | 5.6 | G58" | G3/8" | 1.75 | |
| YBC-20/160 | 10 | 16 | 20 | 1500 | 2000 | 5.8 | G58" | G3/8" | 1.75 | |
| YBC-30/160 | 20 | 16 | 20 | 1500 | 2000 | 11.5 | G1" | G5/8" | 4.75 | |
| YBC-45/160 | 31.5 | 16 | 20 | 1500 | 2000 | 18.1 | G1" | G5/8" | 4.75 | |
本产品执行标准:JB/T7041-2006
YBC齿轮油泵使用须知
1、不允许在油泵内落入杂质、铁屑、棉纱等物,保证 泵内腔和用油清洁,系统中过滤精度不低于 50 微米。
2、安装时不允许用手锤敲击油泵任何部位。紧固螺栓 必须牢固可靠。与泵相接触的结合面必须是机械加工面,并 有一定精度和光洁度。
3、所有油在 40℃时运动粘度为42-74 厘池。
4、油箱中应设置冷却器,油的温度不超过 80℃。
5、开车前检查油路是否畅通,并使油泵内充满油液。 各接头拧紧并保证密封性能。空载下运行 10 分钟,然后逐 步进入工作状态。在使用中,应避免冲击。
6、油泵与原动机采用柔性连接,油泵主动轴避免承受 轴向力和径向力。
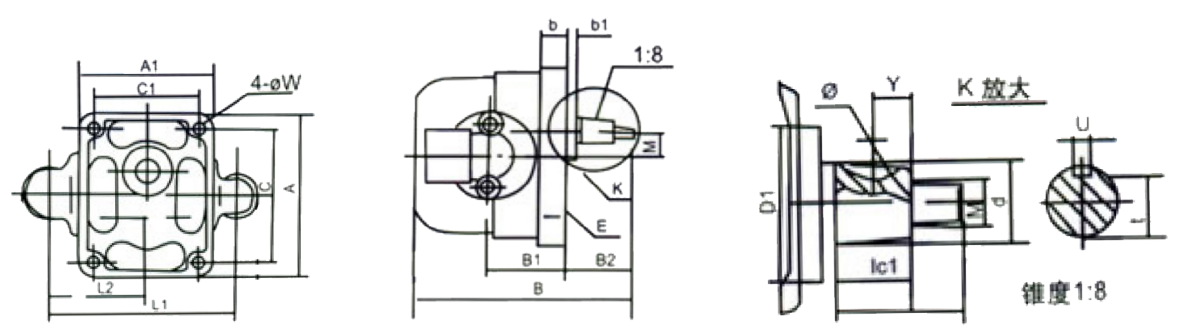
YBC齿轮油泵外形尺寸图

YBC齿轮油泵外形尺寸表
| 尺寸 型号 | A | A1 | C | C1 | L | L1 | L2 | B | B1 | B2 | b | B1 | H | D1 | φ | e | el | Y | M | W | d | t | u |
| YBC-5/80 | 105 | 85 | 88 | 68 | 140 | 114 | 59 | 125 128 | 44 | 36.3 | 16 | 4.5 | 15 | 32 | 16 | 30 | 20 | 10 | M10 | 6.6 | 16 | 9.25 | 3 |
| YBC-12/80 | |||||||||||||||||||||||
| YBC-20/80 | |||||||||||||||||||||||
| YBC-30/80 | 147 | 128 | 128 | 99 | 186 | 149 | 77 | 167 | 59 | 46.2 | 21 | 6 | 21.5 | 50.8 | 19 | 39 | 24.2 | 11.5 | M12 | 9 | 22 | 14 | 4 |
| YBC-45/80 | |||||||||||||||||||||||
| YBC-60/80 | 170 | 63 | |||||||||||||||||||||
| YBC-16/160 | 105 | 85 | 88 | 58 | 140 | 114 | 59 | 112 | 44 | 32.5 | 18 | 4.5 | 15 | 矩形花键6×φ16×φ13×3.5有效长20 | |||||||||
| YBC-30/160 | 147 | 118 | 128 | 99 | 186 | 149 | 77 | 164170 | 6267 | 41 | 24 | 5 | 21.5 | 矩形花键6×φ22×φ18×5有效长25 | |||||||||
| YBC-45/160 | |||||||||||||||||||||||
YBC齿轮油泵常见故障及排除方法
| 序 号 | 现象 | 原因 | 排除方法 |
| 1 | 油箱中 的油产 生大量 气泡,噪 声增大, 油泵吸 油不足。 | 1、油箱油面过低。2、吸油管太细,弯 管处死角或弯头太 多。3、吸油滤网或吸油 管堵塞。4、吸油口法兰密封 圈损坏或法兰密封 面不良。5、从主动轴骨架密 封处吸入空气。 | 1、加油至规定油面高 度。2、加粗、缩短吸油管, 弯管不允许有死角,减 少、弯头。3、清洗滤网,排除堵 塞物。4、更换密封圈,检查 密封面有无变形 、毛 刺、擦伤并进行修整。5、检查油封弹簧是否 失灵,密封刃口是否损 坏,必要时更换。 |
| 2 | 流量不 足或建 立不起 正常压 力 | 1、轴套端面严重磨 损或刮伤。2、密封圈损坏。3、系统中其它液压 元件失灵,或原动 机转数太低。 | 1、修研轴套或齿轮端 面。2、更换密封圈。3、根据检查情况分别 处理。 |
| 3 | 油泵早 期损坏 | 1、油泵吸不上油, 没有及时排除。2、液压系统堵塞, 安全阀失灵。 | 1、及时排除。2、清除异物,修复安 全阀。 |
| 序 号 | 现象 | 原因 | 排除方法 |
| 4 | 外漏油 | 1、主动齿轮骨架油封 损坏。2、泵盖与壳体间密封 面不良或密封圈损坏。3、进出油口法兰与壳 体密封面不良或密封 圈损坏。4、紧固螺钉松动。 | 1、更换骨架油封及密 封圈。2、检查密封面有无毛 刺、擦伤、变形、并加 以修整、更换密封圈。3、同上。4、均匀拧紧紧固螺钉。 |
| 5 | 油泵发 热研伤 | 1、杂质污染物进入油 泵内,齿轮与轴套间严 重磨损,研伤,造成油 泵发热、磨损。2、进油口堵塞或吸油 管软、吸扁造成吸油困 难,油泵无法正常工作 而发热、研伤。3、油箱太小、散热不 良等 ,均造成油泵发 热。 | 1、保持油液清洁。定 期换油。2、保护进油管有足够 的硬度和通径。3、加大油箱,增加冷 却装置。 |
| 6 | 油泵冒 烟 | 吸油不畅 ,油泵内无 油,机械摩擦,造成温 度提高,油泵冒烟,标 牌变色。 | 保证供油。 |